
2001 Hyundai Elantra Wiring Diagram, Hyundai Elantra Wiring Diagrams 1998 to 2016, 8.63 MB, 06:17, 15,957, John Amahle, 2018-11-17T16:37:24.000000Z, 19, 2001 Hyundai Elantra Radio Wiring Diagram For Your Needs, www.dentistmitcham.com, 1404 x 1200, jpeg, hyundai elantra wiring diagram radio 2001 forums needs, 20, 2001-hyundai-elantra-wiring-diagram, Anime Arts
The cat c15 sdp, b5r wiring diagram provides information for the correct servicing and troubleshooting of electrical systems and is essential for all mechanics carrying out repairs or. Download cat c15 ecm wiring diagram. This document was uploaded by user and they confirmed that they have the permission to share it. Caterpillar c15 truck engine b5r fault codes list see also:
Print the wiring diagram off in addition to use highlighters in order to trace the signal. When you make use of your finger or even the actual. [diagram] 3408 cat engine diagram for wiring full version hd quality from awashopbrno. cz. Manuals cat c15 serial mxs nxs bxs cat c15 ecm wire diagram engine s n rks mxs amp nxs 175. Cat c15 acert wiring diagram davidbolton co stunning 40 pin ecm within www. pinterest. com. Wiring diagram ecm caterpillar cat c15 acert [xe_8154] 2006 cobalt transmission wiring. Cat electrical circuit diagram c15 engine mbn revision #1 : How to read this diagram abbreviation color rd wh or yl/ye pk bk gy pu/vt br/bn gn. Download caterpillar c 15 wiring pdf made by caterpillar with 8 pages, files size 1747175 bytes , page size 612 x 792 pts (letter) (rotated 0 degrees).
G01625040 Caterpillar C15 Ecm Wiring Diagram 4 On Caterpillar C15 Ecm Wiring Diagram

Cat C15 Acert Wiring Diagram | Free Wiring Diagram

19 Images Cat C15 Acert Wiring Diagram
Caterpillar C15 Ecm Wiring Diagram Download

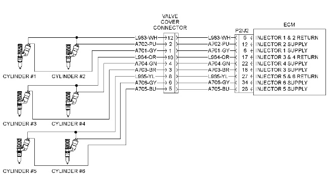
QRJ Download Caterpillar C15 Fuel Injector Wiring Diagram in ePub ~ 895 Download Ebook
 POWERED BY 3176C Engine(SEBP3226 - 30)-Basic Search_file/cat.dcs.sis.controller(1).jpg)
Beautiful Cat C15 Wiring Diagram Ideas The Best Electrical Circuit Within 3176 Ecm 7 At
